Meet our attorneys

Wendy van Zoelen

  • Dutch & European Patent Attorney

  • UPC Representative

Wendy combines her background in polymer chemistry with a passion for innovation, advising start-ups and multinationals on patent protection, freedom-to-operate analyses, and strategic support for groundbreaking technologies.
Wendy van Zoelen

Introducing Wendy

I began as a polymer chemist, but my passion shifted toward supporting the journey of innovation rather than conducting research. Becoming a patent attorney allowed me to transition into safeguarding groundbreaking technologies.

At EP&C, I work with clients ranging from startups to multinationals, helping them tackle challenges like patent protection and navigating freedom-to-operate analyses. I thrive on the diversity of my role—each project introduces me to new inventions and technologies. I enjoy unraveling complex technical details, providing clear guidance, and supporting innovators as they bring their ideas to life. It’s deeply rewarding to help innovations grow and succeed.

I love unraveling complex technologies, guiding clients to protect their innovations, and seeing their ideas thrive

EP&C-115

Patented by Wendy

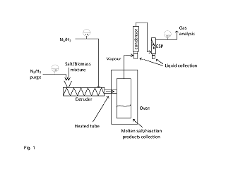
Wendy's track record of securing patents for groundbreaking inventions speaks for itself. From pyrolysis of biomass to the application of polymers in medicine, her ability to turn ideas into reality shows her dedication to client success.

Rijksuniversiteit Groningen

Rembrandt Medical

Specialist industries

Packaging

Energy

Polymers

Coatings

Biomass

Nano tech